
电源管理芯片作为核心部件,其性能和可靠性对整个系统的稳定运行至关重要。共模凭借其在半导体领域的深厚积累,隆重推出了一款全新的低EMI降压变换器——GM2506。这款产品以其卓越的性能、创新的设计理念以及广泛的应用场景,为电源管理领域带来了新的突破。
GM2506和GM2500系列产品凭借超高的性能指标和优秀的市场表现,从全国众多参赛产品中脱颖而出,荣获第九届铃轩奖-量产-车用芯片类-优秀奖。GM2506 是一个非常小、高频高效、低噪音同步 6A 降压直流/直流变换器,从 2.5V 到5.5V 的输入电源运行。该变换器使用固定开关频率,在 1.8MHz 到 8MHz 时进行峰值电流模式控制,最小开关时间低至 22ns,通过较小的外部组件实现快速瞬态响应。低 EMI 封装架构可以最大限度地减少 EMI 排放。
GM2506 在低噪声的强制连续或脉冲跳越模式下运行,或低波纹低功耗模式运行,在轻负载下高效运行,非常适合电池供电系统。芯片调节输出电压低至 500mV,在强制连续工作模式下,精度为±1%。其他功能包括输出过压保护、短路保护、热关机、时钟同步以及 100%占空比工作。该设备有 9 引脚 3mm × 2mm × 1mm LQFN 封装,带有裸露的焊盘,具备低热阻特性。AEC-Q100 符合汽车应用
- 可编程开关频率:1.8MHz 至 4MHz 或 3.6MHz 至 8MHz
环境温度为 TA=-40°C to +125°C
光通信、服务器、电信
汽车、智能座舱、辅助驾驶
分布式直流供电(POL)
FPGA、ASIC、μP 核心用品
电池供电系统
用

图1. 典型应用框图-2MHz 应用

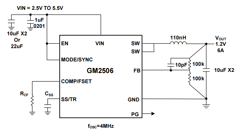
图2. 典型应用框图-4MHz 应用
GM2506在设计上注重效率和功耗的优化。它采用了低功耗模式和强制连续模式,能够在轻负载和高负载条件下均保持高效的运行。在低功耗模式下,GM2506通过减少开关频率和降低静态电流,显著提高了轻载效率,延长了设备的待机时间。而在强制连续模式下,它能够以固定频率运行,输出纹波最小,适合对输出稳定性要求较高的应用。此外,GM2506还具备100%占空比工作模式,当输入电源电压接近输出电压时,占空比可以增加到100%,进一步提高了电源的利用效率。精确的电压调节
GM2506能够调节输出电压低至500mV,在强制连续工作模式下,精度为±1%。这种高精度的电压调节能力,使其能够满足各种对电源精度要求严格的设备需求。同时,GM2506还具备精确的1.1V使能阈值,通过EN引脚的精确控制,可以实现基于事件触发的电源顺序,确保设备在合适的电压下启动和工作。强大的保护功能
GM2506具备多种保护功能,包括输出过压保护、短路保护、热关机等,确保在各种异常情况下都能保护芯片和负载设备的安全。当输出电压超过设定值时,过压保护功能将关闭顶部功率开关,防止设备因过压而损坏。短路保护功能则能够在输出短路时限制电流,保护电源和负载免受损坏。热关机功能则可以在芯片温度过高时自动关闭,防止因过热而引发的故障。灵活的频率设置和同步功能
GM2506的开关频率可以通过COMP/FSET引脚灵活设置,支持1.8MHz至4MHz或3.6MHz至8MHz的频率范围。这种灵活的频率设置功能,使得用户可以根据不同的应用场景和性能要求,选择最合适的开关频率,从而优化系统的效率和性能。此外,GM2506还支持时钟同步功能,能够与外部时钟同步,进一步提高系统的稳定性和可靠性。低 EMI 设计
GM2506采用了低EMI封装架构,能够最大限度地减少电磁干扰的排放。这种设计不仅提高了系统的电磁兼容性,还简化了EMI滤波器的设计,降低了整体成本。这对于那些对电磁干扰敏感的应用,如通信设备、医疗设备等,具有重要的意义。

图3. CISPR25 Conducted Emission
with Class 5 Peak Limits (Voltage Method)
图4. CISPR25 Radiated Emission
(Horizontal)
GM2506 可完美替代 TI 的 TPS62816、TPS62812、TPS62810 等系列产品 。 | 替代产品 |
| |
| GM25061 | TPS62810 |
| GM25062 | TPS62812 |
| 温度范围 | |
| | |
| GM2506WBCPZ-R7 | -40℃至+150℃ | LQFN-9 |
| GM25061WACPZ-R7 | -40℃至+150℃ | LQFN-9 |
| GM25061WBCPZ-R7 | -40℃至+150℃ | LQFN-9 |
| GM25062WACPZ-R7 | -40℃至+150℃ | LQFN-9 |
GM2506凭借其卓越的性能和广泛的适用性,可广泛应用于光通信、服务器、电信、汽车、智能座舱、辅助驾驶等领域。无论是在对电源精度和稳定性要求极高的通信基站,还是在对电磁兼容性要求严格的汽车电子系统中,GM2506都能提供可靠的电源解决方案,满足各种复杂的应用需求。
GM2506的推出,无疑为电源管理领域注入了一股新的活力。它以其高效低功耗、精确的电压调节、强大的保护功能、灵活的频率设置和同步功能以及低EMI设计等优势,完美地满足了现代电子设备对电源管理的苛刻要求,为用户带来更加高效、可靠和环保的电源解决方案。